For Sale

For Sale
Investment, Office, Office Investment, Yard
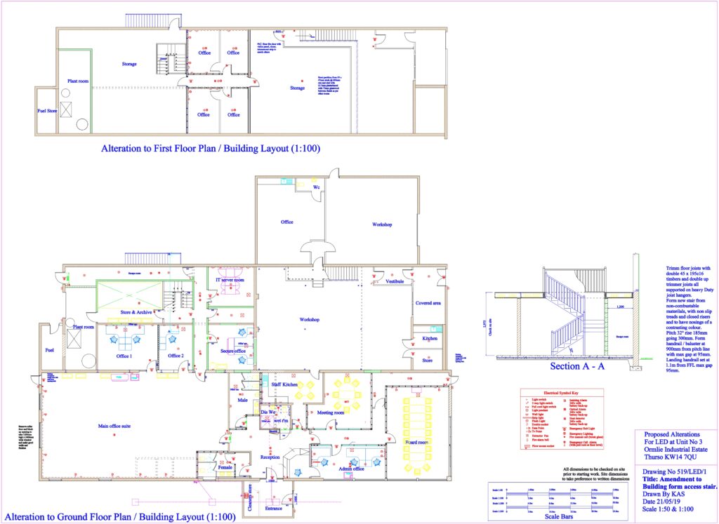
Unit 3, Ormlie Ind Est, Thurso, KW14 7QU
Tenure: For Sale
Size: 11,412 sq ft (1,060 sq m)
Price: Offers Over £725,000

Key Features

  • Multi let office/industrial property let to blue chip covenant Nuvia Ltd (part of the VINCI Group) and Norsestone Ltd
  • Current rental income of £74,100 p.a. with a further c. £22,000 p.a. net income from the Renewable Heat Incentive totalling £96,100 p.a.
  • Extensively refurbished office accommodation with storage space extending to NIA of 11,412 sq ft as well as separately let yard
  • Strategic location supporting the Dounreay nuclear power decommissioning programme (projected into 2070’s)
  • Offers over £725,000 are invited

The subjects comprise a detached two storey office building and yard.

The subjects are located in Thurso which is a market town situated in the Caithness area of the north of Scotland, approximately 110 miles north west of the Highland capital of Inverness. The area is situated on the popular North Coast 500 tourist route and has connections by rail to the south of Scotland and also ferry ports nearby connecting the mainland to Orkney. The subjects themselves lie within Ormlie Industrial Estate which is the main industrial estate located on the southern side of the town, approximately 1 mile from the town centre with easy access to the local road network. Surrounding occupiers include a range of local and national commercial operators with Dunbar Hospital, UHI North Highland and Thurso High School being in close proximity.

Rateable Value

According to the Scottish Assessor’s website (www.saa.gov.uk) the subjects have a combined Rateable Value of £57,450 effective 1st April 2023.

Utilities

The subjects benefit from mains supplies of water, drainage and electricity. Heating within the property is provided by a Biomass boiler which supplies wall mounted radiators and blower heaters throughout the subjects. The server room contains an air conditioning unit.

EPC

The Energy Performance Certificate Rating is ‘B’.

Legal Costs

Each party will be responsible for their own legal costs incurred in the preparation, negotiation and settlement of the documentation pertaining to the lease or sale including LBTT or VAT applicable.

Entry

On completion of legal formalities

AML Requirements

To satisfy our money laundering requirements, once an offer has been accepted, the prospective purchaser(s)/ occupier(s) will need to provide, as a minimum, proof of identity and residence and proof of funds for the purchase, before the transaction can proceed.

Calum Dunbar

RICS Registered Valuer
Andy Gray

Director | RICS Registered Valuer

Enquire about this property

"*" indicates required fields

Office Agency Team of the Year – Finalist

Retail and Leisure Agency Team of the Year – Finalist

Retail and Leisure Team of the Year – Finalist

Industrial Agency Team of the Year - Finalist

Business Resilience Award – Finalist

What our customers say

Excellent service received from James Burns. Process of having a home report carried out was seamless from start to finish. Highly recommend.

I would like to say that Keith and One Service have bent over backwards to help us on our way to preparing the sale of our home. They have been extremely professional, courteous and helpful throughout. I cannot speak highly enough about them.

I have dealt with Allied Surveyors in Inverness for many years most recently with regard to a Commercial Rent Review. They are highly professional , very efficient and go to great lengths to ensure that the client is well looked after and represented properly. I have no hesitation in recommending them.

I chose Allied to carry out home report on my flat. Scott Livingstone came out quickly and carried out a thorough inspection of the property. The report was accurate, clear and concise on the condition and provided a valuation that I and ultimately the market was happy with. I would thoroughly recommend to others requiring valuation services

Bernadetta provided an excellent service, warm, friendly and very approachable. A professional service from start to finish. I would highly recommend Bernadetta at Allied Surveyors.

I have huge thanks for Simon and all at Allied Surveyors who are just the most wonderful company to deal with. Buying/selling a home can be a complex process and to give someone your time is such a simple thing yet often lost in the current world, Simon at Allied has given us just that as well as mountains of advice and a sharing of his knowledge. Thanks Again

Professional and really nice person to deal with. Scott from Allied Surveyors (Stirling/falkirk area) recently did my home report. He was easy to talk and he explained the issues he noticed at the time of viewing the property as well as in more detail in the report itself. He is a very fair individual and also in our discussion gave me the opportunity to correct a few things. Not full of himself or power tripping. Just a genuninely nice person doing his job. Thank you.

Grant Robertson recently completed a development valuation for a site I am building out. His knowledge and attention to detail was outstanding and has made the process of purchase and funding so much easier. He also kept the lawyers, who were often dragging their feet, focused on delivery.

Great service from Bernadetta. She was always available for questions and very responsive. Thanks for finding a Tenant and helping in closing the lease.

We’re here to help.

If you have a question about any of our other services please fill in the enquiry form or call one of our offices.